0
Việt
한국어
español
日本語
简体中文
中文
English
Deutsch
제품소개
신상품
AC 전원선
마그네틱플러그전원선
팬플러그전원선
DC 전원선
배선 그룹
Y형 스플리터
마그네틱 비드
SR선 클립/선 버튼
기타 제품
응용 프로그램
리소스 및 지원
온라인 카탈로그
디스 안전 인증
기술 참조
선재 종류
플러그 커넥터 양식
각국 안전 규격 인증 마크
세계 각국은 플러그를 사용
제품 신청
유해 물질 보증 RoHS 규제 / REACH 제한
PSE 글로우 와이어 및 적합성의 PTI 선언
BSMI Taiwan RoHS Compliance Statement
기업의 노력
회사 정책
시스템 인증
"분쟁 광물" 사용 금지 성명
유해성 물질 사용 제한 관리
최신소식
회사소개
회사소개
동부 그룹
회사 연혁
신병 모집
문의
문의 / 조회
대문
제품소개
AC 전원선
인도네시아
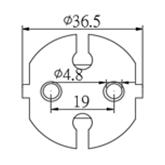
LT-332
LT-332
안전규정 인증:
SNI
문의
너무 이른
,
제품 특징
정격 전류/정격 전압
16A
250V~
인증 마크
관련 제품
뒤로