0
Việt
한국어
español
日本語
简体中文
中文
English
Deutsch
製品
新製品
AC電源コード
マグネットプラグ付き電源コード
ファン用プラグ付き電源コード
DC電源コード
ワイヤーハーネス
Y字型分線器
フェライトビーズ
SR ケーブルブッシュ
その他の関連商品
センサー
コンセント
応用領域
リソースとサポート
カタログ
ディスカバー安全の資格情報
Technical reference
プラグ(オス・メス)/コネクタのタイプ
線材の種類
各国の安全規格マーク
世界各国使用のプラグ
製品の用途
有害物質のRoHsの/ REACH制限確保の
PSEグローワイヤと適合性のPTI宣言
BSMI Taiwan RoHS Compliance Statement
企業のコミットメント
会社のポリシー
システム認証
コンフリクトメタル使用禁止声明
製造品の危害物質規制管理
ニュース
会社案内
会社案內
聯東グループ
歴史と沿革
募集
お問い合わせ
お問い合わせ
ホーム
>
製品情報
>
AC電源コード
>
インドネシア
> LT-332
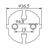
LT-332
Approval:
SNI
Inquiry
PREV
,
キャラクター
定格電力、定格電圧
16A
250V~
Approval Mark
Related Products
BACK