0
Việt
한국어
español
日本語
简体中文
中文
English
Deutsch
Productos
Nuevos Productos
cable de alimentación CA
Cable de alimentación magnética
Cable de alimentación del ventilador
Cable de alimentación de CC
Mazo de cables
Disidente
Filtrar
Alivio de tensión
Diverso
Sensores
Toma de corriente
Application
Recursos y Apoyo
Catalogar
Búsqueda de certificaciones en línea
referencia técnica
UL cable flexible de forro Designación
Tipos de cordelería
tipo de enchufe Mundial
Sello de aprobación
Aplicación del producto
Declaración RoHS / REACH
alambre MAR Glow Declaración RoHS
BSMI Taiwan RoHS Compliance Statement
Compromisos
Política
certificaciones
Uso restringido de conflicto Minerales
Programa gratuito de Substancias Peligrosas
Noticias
Quiénes somos
Introducción
Lian Grupo de estiércol
Historia
Carreras
Contacto
Contáctenos
Inicio
>
Productos
>
cable de alimentación CA
>
Conector IEC
> LT-548A
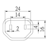
LT-548A
Approval:
UL
Encuesta
anterior
,
producto de carácter
Clasificación
10A
250V~
Approval Mark
Related Products
BACK